您现在的位置:
首页
/
/
/
2024年固体废物污染环境防治信息公开

2024年固体废物污染环境防治信息公开

  • 分类:国大公告
  • 作者:
  • 来源:
  • 发布时间:2025-03-07
  • 访问量:0

【概要描述】

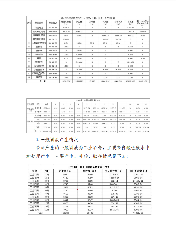
2024年固体废物污染环境防治信息公开

【概要描述】

  • 分类:国大公告
  • 作者:
  • 来源:
  • 发布时间:2025-03-07
  • 访问量:0
详情

扫二维码用手机看

附件下载

暂时没有内容信息显示
请先在网站后台添加数据记录。

金宝搏网站下载

电话:0535-81206860535-8120658

传真:0535-8120602

邮箱:xxzx@sdguoda.com

地址:山东省招远市国大路668号

Baidu
map